상품 이미지 새창 보기

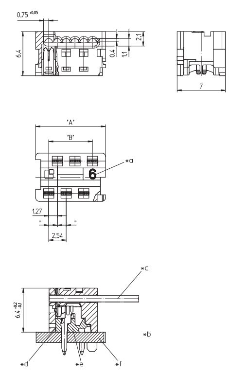
Lumberg MICA 08 Lumberg MICA 08